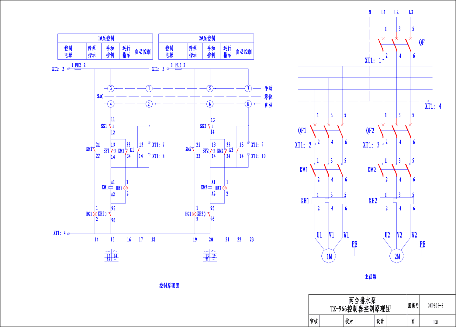
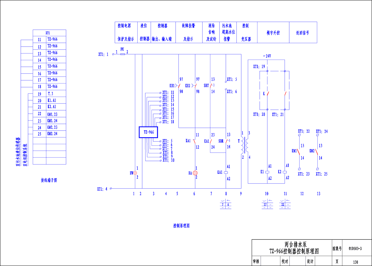
为满足不同用户的需求,针对目前有些用户采用浮球、电极、干簧等作为传感元件,实行液位自动控制,本公司开发生产了TZ-966型无触点控制器。
1.功能及特点
(1)采用数字电路实现双泵自动交替运行,解决了双泵工作方式中备用泵长期不使用的生锈卡死现象。
(2)信号采集使用低电压,小电流,减少了故障点,延长了浮球等传感元件的使用寿命。
(3)本控制器采用了延时电路,大大提高了抗外界干扰的能力。
(4)固态继电器的应用,保证了控制器可在潮湿环境中的使用
(5)取消全部的中间继电器和时间继电器,大大简化控制电路,连接方便简单,提高了安全可靠性。
(6)降低了控制箱的生产成本和生产工时,便于批量生产与维修。
(7)本控制器经过国家信息产业部电子计量测试研究中心站的测试,性能稳定可靠。
2.主要技术参数
电源:AC220V、50Hz;控制电压:220、380V;
控制电流:1A;消耗功率≤2W
正常工作条件:温度-10~50℃;湿度≤90%。 |
|

 控制器 |